D643H气动硬密封蝶阀概述:
气动硬密封蝶阀D643H\D673H是由气动活塞式执行器与三偏心硬密封蝶阀组成,俗称为气动三偏心金属密封蝶阀。阀座采用硬密封兼容的多层次结构,加工精湛,工艺先进。
气动硬密封蝶阀与电气阀门定位器配套,输入4~20mADC信号及0.4~0.7MPa气源即可控制运转,可实现对压力、流量、温度、液位等参数的调节。
气动硬密封蝶阀配行程限位开关、电磁阀、减压阀及0.4-0.7MPa气源可实现开关操作,并送出二对无源触点信号指示阀门的开关。
气动硬密封蝶阀由阀体、蝶板、多层次阀座、阀杆、传动机构等主要部件组成,结构简单、体积小、重量轻,所以气动硬密封蝶阀、气动三偏心金属密封蝶阀被广泛地应用到冶金、电力、石油、化工、空气、煤气、可燃气体以及给排水等腐蚀性介质的管道上。
D643H气动硬密封蝶阀主要性能指标
| 公称通径DN(mm) | 50-1800 | ||||
| 公称压力 | PN(MPa) | 0.6 | 1.0 | 1.6 | 2.5 | 
| 试验压力 | 强度试验 | 0.9 | 1.5 | 2.4 | 3.75 | 
| 密封试验 | 0.66 | 1.1 | 1.76 | 2.75 | |
| 低压气密试验 | 0.6 | 0.6 | 0.6 | 0.6 | |
| 适用介质 | 空气、水、污水、蒸气、煤气、油品等 | ||||
D643H气动硬密封蝶阀主要零件材料
| 零件名称 | 材料 | 
| 阀体 | 铸铁、不锈钢、铬钼钢、合金钢 | 
| 蝶板 | 铸钢、合金钢、不锈钢、铬钼钢 | 
| 密封圈 | 不锈钢与耐高温石棉板组合成多层次 | 
| 阀杆 | 2Cr13、1Cr13不锈钢、铬钼钢 | 
| 填料 | O型圈、柔性石墨 | 
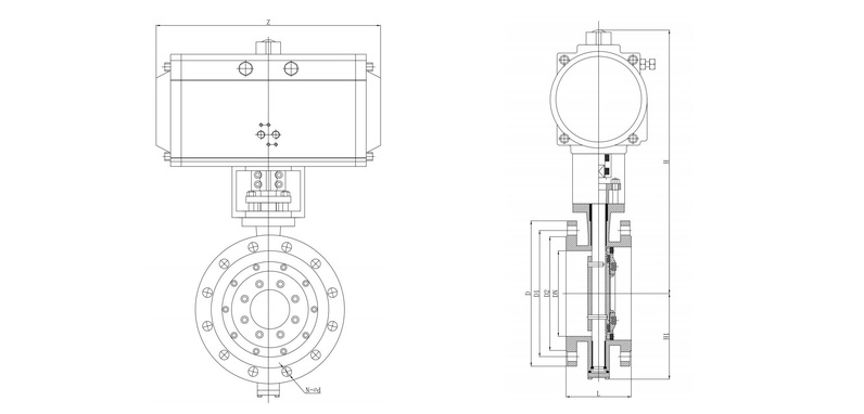
D643H气动硬密封蝶阀外形连接尺寸
| 公称通径 DN(mm) | 50 | 65 | 80 | 100 | 125 | 150 | 200 | 250 | 300 | 350 | 400 | 450 | 500 | 600 | 
| L | 108 | 112 | 114 | 127 | 140 | 140 | 152 | 165 | 178 | 190 | 216 | 222 | 229 | 267 | 
| L1 | 43 | 46 | 49 | 56 | 64 | 70 | 71 | 76 | 83 | 92 | 102 | 113 | 127 | 154 | 
| H | 112 | 115 | 120 | 140 | 170 | 180 | 210 | 240 | 290 | 320 | 350 | 380 | 410 | 470 | 
| n-φd | 4-18 | 4-18 | 8-18 | 8-18 | 8-18 | 8-22 | 12-22 | 12-26 | 12-26 | 16-26 | 16-30 | 20-30 | 20-33 | 20-36 | 
| H1 | 根据所配执行机构而定 | |||||||||||||
| A、A1 | 根据阀门所需力矩而定,配置执行器型号不同,外形尺寸也不相同 | |||||||||||||
| D | 165 | 185 | 200 | 220 | 250 | 285 | 340 | 405 | 460 | 520 | 580 | 640 | 715 | 840 | 
| D1 | 125 | 145 | 160 | 180 | 210 | 240 | 295 | 355 | 410 | 470 | 525 | 585 | 650 | 770 | 
注:表中尺寸为不带标准附件数据。另由于产品改进技术创新参数可能有一定变化,请咨询迦百农公司技术部门索取最新数据。
迦百农公司温馨提醒:以上所有资料仅供参考,具体参数请电话咨询!电话热线:021-66093326
永续经营,创造卓越
JBN-D643H气动硬密封蝶阀
D643H气动硬密封蝶阀外形结构图:
 
         
         
        