CQA槽车球阀概述:
CQA-25P槽车球阀采用法兰连接安装在紧急切断阀下游,出口与同规格快速接头配合使用,用来装卸和卸荷介质时的接通和截断,待放散阀,适用于液化气槽车和液氨槽车上,并采用浮动式球体进行启闭,操作速度快。
CQA槽车球阀主要零件材料:
|
阀体 |
球体、阀杆 |
密封圈 |
填料 |
|
不锈钢 |
不锈钢 |
增强聚四氟乙烯 |
聚四氟乙烯 |
CQA槽车球阀主要性能参数:
|
公称压力 |
壳体试验 |
密封试验 |
适用介质 |
适宜温度 |
|
2.5 |
3.75 |
2.75 |
液化气、液氨等 |
-40~+80℃ |
|
4.0 |
6.0 |
4.4 |
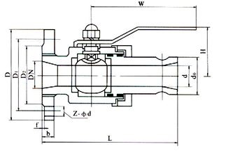
CQA槽车球阀主要外形尺寸和连接尺寸:
|
PN |
DN |
d |
L |
H |
D |
D1 |
D2 |
b |
f |
Z-фd |
W |
|
2.5MPa |
25 |
22 |
194 |
78 |
115 |
85 |
65 |
16 |
2 |
4-14 |
150 |
|
2.5MPa |
50 |
46 |
230 |
88 |
160 |
125 |
100 |
20 |
3 |
4-18 |
180 |
迦百农公司温馨提醒:以上所有资料仅供参考,具体参数请电话咨询!电话热线:021-66093326
永续经营,创造卓越
JBN-CQA槽车球阀
CQA槽车球阀外形结构图: