高压圆盘式蒸汽疏水阀用于高温高压的饱和和蒸汽主管和透平机的蒸汽亚临界状态使用。阀内部装有自动吹除装置。新型冠式阀片、密封极为可kao。蒸汽保温装置,高效节能。可迅速排出设备起动时的空气殛冷凝结水、排量大、漏汽率小。抗蚀性强.动作可靠,经久耐用。在工作压力范围内,无需调整,节能效果显著。
高压圆盘式蒸汽疏水阀结构特点:
1、阀内部装有自动吹除装置。新型皇冠式阀片密封极为可靠。蒸气保温装置,高效节能。
2、可迅速排出设备起动时的空气及决凝结水,排量大,漏气率小。
3、搞蚀性强,动作可靠,经久耐用。
4、在工作压力范围内,无需调整,节能效果显著。
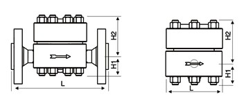
高压圆盘式蒸汽疏水阀主要外型尺寸及连接尺寸:
|
产品型号 |
口径 |
连接方式 |
允许温度℃ |
阀体材质 |
外形尺寸 |
|||
|
L |
H1 |
H2 |
W |
|||||
|
HRF3 |
15 |
法兰 |
500 |
WC6 |
230 |
78 |
35 |
135 |
|
20 |
法兰 |
500 |
WC6 |
230 |
78 |
35 |
135 |
|
|
25 |
法兰 |
500 |
WC6 |
230 |
78 |
35 |
135 |
|
|
HRF3 |
15 |
承插焊 |
500 |
WC6 |
130 |
78 |
35 |
135 |
|
20 |
承插焊 |
500 |
WC6 |
130 |
78 |
35 |
135 |
|
|
25 |
承插焊 |
500 |
WC6 |
130 |
78 |
35 |
135 |
|
|
HRF3 |
15 |
内螺纹1/2" |
500 |
WC6 |
130 |
78 |
35 |
135 |
|
20 |
内螺纹3/4" |
500 |
WC6 |
130 |
78 |
35 |
135 |
|
|
25 |
内螺纹1" |
500 |
WC6 |
130 |
78 |
35 |
135 |
|
|
HRF150 |
15 |
法兰 |
500 |
WC6 |
130 |
122 |
58 |
228 |
|
20 |
法兰 |
500 |
WC6 |
400 |
122 |
58 |
228 |
|
|
25 |
法兰 |
500 |
WC6 |
400 |
122 |
58 |
228 |
|
|
32 |
法兰 |
500 |
WC6 |
400 |
122 |
58 |
228 |
|
|
40 |
法兰 |
500 |
WC6 |
400 |
122 |
58 |
228 |
|
|
50 |
法兰 |
500 |
WC6 |
400 |
122 |
58 |
228 |
|
|
HRF150 |
15 |
承插焊 |
500 |
WC6 |
220 |
122 |
58 |
228 |
|
20 |
承插焊 |
500 |
WC6 |
220 |
122 |
58 |
228 |
|
|
25 |
承插焊 |
500 |
WC6 |
220 |
122 |
58 |
228 |
|
|
32 |
承插焊 |
500 |
WC6 |
320 |
122 |
58 |
228 |
|
|
40 |
承插焊 |
500 |
WC6 |
320 |
122 |
58 |
228 |
|
|
50 |
承插焊 |
500 |
WC6 |
320 |
122 |
58 |
228 |
|
迦百农公司温馨提醒:以上所有资料仅供参考,具体参数请电话咨询!电话热线:021-66093326
永续经营,创造卓越
JBN-高压圆盘式蒸汽疏水阀
高压圆盘式蒸汽疏水阀外形结构图: